Capacitor Bank Sizing and Detuned Reactor Selection
Sizing power factor correction equipment for LV installations.

Capacitor Bank Sizing and Detuned Reactor Selection
Capacitor banks are a standard tool for improving power factor in low-voltage installations, but they must be applied correctly to avoid overstressing equipment, amplifying harmonics, or creating resonance with the supply network. In a modern IEC 61439 assembly, capacitor banks are not simply “bolt-on” components; they are part of the verified low-voltage switchgear and controlgear assembly and must be coordinated for thermal performance, short-circuit withstand, creepage and clearance, and internal separation. As emphasized in IEC 61439 verification practice, the assembly manufacturer remains responsible for design verification of the complete system, including any integrated power factor correction equipment.
This article explains the core principles used to size capacitor banks and select detuned reactors for low-voltage systems. It also shows how these components fit into an IEC 61439-compliant assembly. While the provided research does not include capacitor-specific standards text, the IEC 61439 framework remains relevant because capacitor banks installed in switchboards still must satisfy the same assembly verification expectations described by manufacturers and industry guides such as ABB, Schneider Electric, and Hager.
Why capacitor banks are used in LV systems
Capacitor banks are installed to reduce reactive power demand, improve power factor, release transformer and feeder capacity, and reduce utility penalties associated with low power factor. In industrial and commercial networks, the main inductive loads are motors, transformers, welders, fluorescent lighting ballasts, and variable-speed drives on the upstream side of harmonic mitigation. A properly sized capacitor bank offsets lagging reactive power by supplying leading reactive power locally.
The key objective is not to “maximize kvar” but to raise the system power factor to a target value that is technically and economically justified. Typical targets are in the range of 0.95 to 0.99, depending on tariff structure, network conditions, and the amount of harmonic distortion present. Overcorrection can create a leading power factor, elevate voltage, and worsen resonance risk.
Capacitor bank sizing fundamentals
The standard sizing approach is based on measured active power and the desired change in power factor. For a three-phase system, the reactive power required can be estimated from the relationship:
Qc = P × (tan φ1 − tan φ2)
Where:
- Qc = capacitor reactive power in kvar
- P = active power in kW
- φ1 = initial phase angle corresponding to the existing power factor
- φ2 = phase angle corresponding to the target power factor
For example, if a plant draws 500 kW at 0.78 power factor and the target is 0.95, the required correction is approximately:
Qc = 500 × (tan 38.74° − tan 18.19°) ≈ 500 × (0.801 − 0.328) ≈ 236.5 kvar
This calculation gives a starting point, but practical design must also account for load variation, transformer magnetizing current, harmonic content, and whether the bank will be fixed or automatically stepped. A single fixed bank is suitable for nearly constant base loads, while automatic stepped banks are preferred where load varies significantly over time.
Fixed, stepped, and automatic capacitor banks
There are three common approaches to low-voltage power factor correction:
- Fixed capacitor bank — suitable for stable loads such as continuously running motors or dedicated process loads.
- Manually stepped bank — selected by an operator for seasonal or shift-based variations.
- Automatic capacitor bank — switched by a power factor controller in discrete steps to follow load changes.
Automatic banks are most common in industrial distribution boards because they maintain a target power factor dynamically and reduce the risk of overcompensation during low-load periods. The step arrangement should be chosen so the smallest step is not excessively large relative to the base load. In practice, multiple smaller steps provide finer control and lower switching stress than a few large steps.
As documented in manufacturer design literature for IEC 61439 assemblies, the integration of capacitor steps, contactors or thyristor switching devices, fuses, discharge resistors, and ventilation must be verified as part of the complete enclosure system. Thermal design matters because capacitor losses and harmonic currents increase internal temperature rise.
How harmonics affect capacitor sizing
In non-linear loads, such as drives, UPS systems, rectifiers, and LED lighting, the current waveform contains harmonic components. Capacitors present a low impedance at higher frequencies, so they can attract harmonic currents. This may cause overheating, nuisance fuse operation, dielectric stress, or resonance with the upstream network inductance.
The risk is especially high where the supply transformer is relatively small, the short-circuit power is limited, or the system already has significant 5th, 7th, or 11th harmonic distortion. A plain capacitor bank may improve displacement power factor but still fail to deliver a good overall system performance if total harmonic distortion is high.
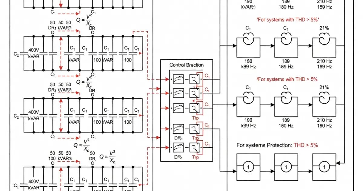
In such cases, detuned reactors are commonly added in series with each capacitor step. The reactor shifts the series LC resonance below the lowest significant harmonic, preventing amplification of harmonic currents at the capacitor terminals. This is a standard industrial practice in LV power factor correction systems and is widely referenced in manufacturer application guides, including those from ABB and Schneider Electric.
Detuned reactor selection
A detuned reactor is selected by choosing a tuning frequency that is safely below the network’s dominant harmonic frequencies, typically below the 5th harmonic. Common LV tuning frequencies are around 189 Hz, 210 Hz, 214 Hz, 189 Hz, or equivalent detuning levels corresponding to 5.67%, 7%, 8.7%, or 14% reactor impedance, depending on the vendor’s design philosophy.
The most common industrial choice is a 7% detuned reactor, which is widely used to move the resonance point below the 5th harmonic on a 50 Hz system. That means the resonant frequency is roughly 189 Hz. In 60 Hz systems, equivalent tuning is selected to remain below the 5th harmonic at 300 Hz. The exact tuning should be based on site harmonic measurements or a network study rather than generic assumptions.
When selecting detuned reactors, verify the following:
- Rated system voltage and capacitor voltage class
- Fundamental frequency of 50 Hz or 60 Hz
- Desired tuning frequency
- Expected harmonic spectrum
- Temperature rise and ventilation limits
- Capacitor current rating under harmonic loading
The reactor must be thermally matched to the capacitor step current. A detuned reactor increases the voltage across the capacitor at fundamental frequency, so the capacitor’s voltage rating must be selected accordingly. For this reason, capacitor banks with reactors are commonly built with capacitors rated above the system nominal voltage, depending on the detuning level and supply voltage variation.
Practical selection method
A robust selection workflow is:
- Measure or estimate active load in kW and current power factor.
- Define the target power factor based on tariff, transformer loading, and utility requirements.
- Calculate the required kvar for correction.
- Assess harmonic distortion and identify dominant orders.
- Decide whether a plain, detuned, or filtered capacitor bank is appropriate.
- Select step sizes and switching technology.
- Verify thermal performance, short-circuit withstand, and enclosure ventilation under IEC 61439 assembly rules.
Where harmonic distortion is modest and the upstream network is stiff, a plain capacitor bank may be sufficient. Where distortion is moderate or high, a detuned reactor is usually the safer choice. If the system has specific harmonic problems, such as high 5th harmonic current from VFDs, a more advanced filtered solution may be required.
Comparison of common capacitor bank arrangements
| Arrangement | Best use | Advantages | Limitations |
|---|---|---|---|
| Fixed capacitor bank | Constant load systems | Simple, low cost, easy to maintain | Risk of overcorrection at low load; poor adaptability |
| Automatic stepped bank | Variable industrial loads | Maintains target power factor dynamically | Requires controller, switching devices, and coordination |
| Detuned automatic bank | Networks with harmonics | Reduces resonance risk and harmonic current amplification | Higher cost; higher losses and temperature rise |
| Filtered bank | Severe harmonic environments | Can address specific harmonic orders | Requires detailed engineering study and careful tuning |
Thermal and assembly considerations under IEC 61439
IEC 61439 does not size capacitor kvar, but it governs the assembly into which the capacitor bank is installed. This matters because capacitor systems generate heat and may create additional internal temperature rise. Per IEC 61439 verification practice, the manufacturer must verify temperature rise limits, short-circuit withstand strength, and the arrangement of internal circuits. Guidance published by Schneider Electric, ABB, and Hager consistently stresses that the switchboard builder is responsible for the verified design of the complete assembly, not just the component datasheets.
Important assembly checks include:
- Temperature rise verification for capacitors, reactors, busbars, and switching devices
- Clearances and creepage within the enclosure
- Short-circuit coordination of fuses, contactors, and bars
- Ventilation strategy and derating at elevated ambient temperatures
- Neutral and harmonic current paths where applicable
ABB’s IEC 61439 documentation and other manufacturer guides highlight that design verification can be performed by testing, calculation, comparison with verified reference designs, or a combination of these methods. For capacitor banks, thermal verification is particularly important because reactor losses and capacitor ripple current can materially affect the internal environment of the panel.
Switching devices and protection
Capacitor banks are typically switched using capacitor-duty contactors, which include damping resistors to limit inrush current, or thyristor switching where very frequent switching is required. Standard AC-3 contactors are generally not sufficient for capacitor step switching because the inrush current at energization can be many times the rated current of the step.
Protection typically includes:
- Individual fuses or group fusing for each step
- Discharge resistors to reduce residual voltage after disconnection
- Power factor controller with current transformer input
- Overtemperature monitoring in larger assemblies
Designers should ensure that discharge time meets the manufacturer’s requirements before re-energization. Residual voltage can remain on capacitors after switching off, creating a shock hazard and a re-closure transient if a step is reconnected too soon.
Specification guide for selecting a capacitor bank and detuned reactor
| Parameter | Typical design choice | Engineering note |
|---|---|---|
| Target power factor | 0.95 to 0.99 | Choose based on tariff and operating profile |
| Step size | Smaller increments for variable loads | Improves control accuracy and reduces hunting |
| Reactor tuning | Often around 7% detuning | Commonly used to avoid 5th harmonic resonance on 50 Hz systems |
| Capacitor voltage rating | Above nominal system voltage | Must account for reactor voltage rise and harmonic loading |
| Switching method | Capacitor-duty contactors or thyristors | Selected by switching frequency and inrush duty |
| Assembly standard | IEC 61439 verified design | Temperature rise, short-circuit, and mechanical integrity must be verified |
Common design mistakes
Several recurring mistakes lead to poor capacitor bank performance:
- Using nameplate estimates instead of measurements — load profiles change, and actual kvar demand may differ from expected values.
- Ignoring harmonics — a plain capacitor bank in a harmonic-rich system can fail prematurely.
- Oversizing the bank — this can cause overvoltage and leading power factor at light load.
- Neglecting thermal derating — reactors and capacitors must be selected for the actual enclosure temperature.
- Poor step granularity — large steps can cause power factor oscillation and excessive switching.
- Incorrect assembly verification — failing to validate the complete IEC 61439 panel can compromise safety and compliance.
Relationship to IEC 61439 compliant LV panels
For panel builders, capacitor banks are often integrated into main switchboards, distribution boards, or dedicated power factor correction cubicles. In an IEC 61439 context, the assembly must be treated as a whole. That means the thermal effects of the capacitor system, the short-circuit coordination of the feeder, and the mechanical arrangement of the mounting system all require verification.
Industry guides from ABB, Schneider Electric, and Hager on IEC 61439 consistently reinforce three practical points: the original design must be verified, documented, and repeatable; component substitution must not invalidate the verified design without review; and the end user should receive assembly documentation that reflects the installed configuration. This is especially important for capacitor banks because substitute reactors or capacitor brands can alter losses, detuning behavior, and dimensions.
Recommended engineering workflow
For best results, follow a structured process:
- Measure load, PF, and harmonics over representative operating periods.
- Set a realistic correction target.
- Choose plain correction only if harmonics are low and the supply is stiff.
- Use detuned reactors where harmonic current or resonance risk exists.
- Coordinate capacitor voltage class, reactor impedance, and step switching.
- Verify the panel as an IEC 61439 assembly, including temperature rise and short-circuit performance.
- Document settings, component ratings, and maintenance intervals.
In practical industrial applications, the most reliable solution is often not the smallest or cheapest bank, but the one that remains stable across load variation, harmonic conditions, and ambient temperature extremes. Good design is conservative where necessary and measured where possible.
References and Further Reading
Keentel Engineering — IEC 61439 switchgear overview
ABB technical document on IEC 61439 low-voltage assemblies
Schneider Electric — What IEC 61439-1/2 mean for low-voltage equipment specifications
Electrical Engineering Portal — Introduction to IEC 61439
LK-EA — LV IEC panels product information
Related Panel Types Automatic capacitor switching for reactive power compensation. Thyristor or contactor-switched, detuned or standard configurations. Fixed or automatic capacitor bank assemblies for bulk reactive power compensation in industrial and utility applications.Related Components
Frequently Asked Questions
Ready to Engineer Your Next Panel?
Our team of electrical engineers is ready to design, build, and deliver your custom panel solution — fully compliant with international standards.