Automatic Transfer Switch System Design
Designing ATS systems for reliable power changeover.

Automatic Transfer Switch System Design
Automatic Transfer Switch systems are a critical element of low-voltage power distribution where continuity of supply matters. In an IEC 61439 assembly, the ATS function enables reliable transfer between two or more sources, typically utility and standby generator, without allowing asynchronous sources to be connected simultaneously. This is achieved through mechanical and electrical interlocking, coordinated control logic, and verified assembly design, in line with IEC 61439-1 and IEC 61439-2. In practical terms, an ATS must do more than switch power: it must protect personnel, preserve the assembly’s short-circuit integrity, maintain thermal performance, and operate predictably under fault and emergency conditions.
Modern ATS solutions are used in hospital infrastructure, data centers, manufacturing plants, water treatment facilities, microgrids, renewable-energy plants, and critical commercial buildings. As documented in the ABB technical guides and Socomec enclosure catalogues, the most common configurations range from compact 125 A units to large 3200 A and even 4000 A system-level assemblies, with short-circuit withstand ratings commonly between 50 kA and 100 kA for 1 second when verified per IEC 61439-2 Clause 10.10.
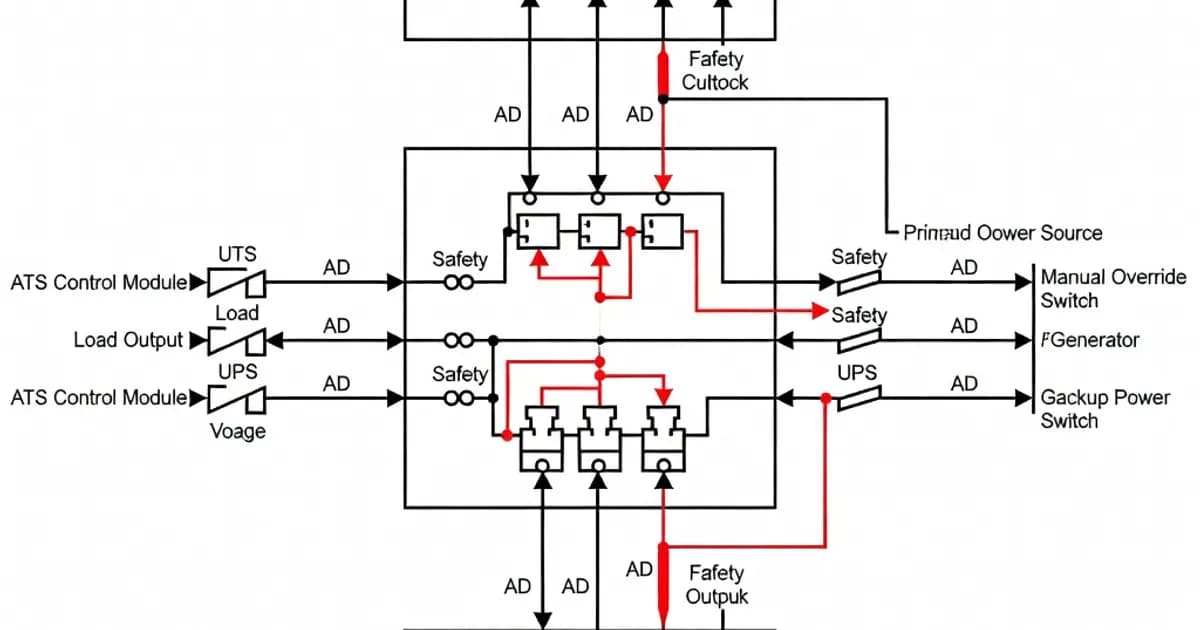
What an ATS Must Achieve in an IEC 61439 Assembly
An ATS within a low-voltage switchboard must satisfy three design objectives simultaneously. First, it must transfer load between sources safely, with no possibility of paralleled out-of-phase sources unless the design explicitly uses synchronized closed-transition transfer. Second, it must remain thermally and mechanically robust under continuous load and short-circuit stress. Third, it must integrate into the larger assembly with proper clearances, busbar interfaces, enclosure protection, and documented verification. Per IEC 61439-1 Clause 10, the assembly must be verified for temperature rise, dielectric withstand, short-circuit strength, and protection against electric shock.
In most applications, the ATS operates in an open-transition sequence. The standard changeover logic is O-I-O-II-O, meaning source 1 disconnects, the load is left open briefly, and then source 2 connects. The transfer time is commonly adjustable from 0.1 to 10 seconds, allowing the designer to coordinate with generator starting, voltage stabilization, and load shedding logic. For critical facilities requiring zero interruption or reduced-break transfer, the design may instead use a no-break or closed-transition arrangement, but that requires synchronizing equipment and stricter control of voltage, phase, and frequency alignment.
Core Technical Requirements
The rated operational current, Ie, for ATS systems in this class typically ranges from 160 A to 3200 A, with some assemblies extending to 4000 A depending on the architecture and enclosure platform. Short-circuit withstand capability is commonly specified as 50 kA to 100 kA rms for 1 second. That rating is not an estimate; it must be verified as part of the assembly design validation under IEC 61439-2 Clause 10.10. In addition, the dielectric performance must be verified per IEC 61439-1 Clause 10.7, and temperature-rise performance per Clause 10.9.
Control supply requirements vary by product family, but typical systems use 24 V DC control power with inrush around 3.6 A, or 110–240 V AC/DC with inrush in the 1.5 to 3.0 A range. The operating range is usually 0.85 to 1.1 times Ue, with pickup and dropout thresholds often around 85–100% and 75–98% of nominal depending on the controller and sensing module. These values matter because a poorly designed control supply can cause nuisance transfers, failed starts, or unwanted source overlap.
Environmental performance is equally important. Enclosure protection commonly ranges from IP31 to IP54 per IEC 60529, depending on whether the ATS is installed in a clean electrical room, industrial plant, or outdoor-compatible enclosure. For temperature-rise verification, IEC 61439-1 generally assumes an ambient temperature not exceeding 35 °C unless otherwise declared. Typical design targets keep the average temperature rise within 70 K or less, depending on the component location and insulation system.
Functional Sequence and Operating Modes
The operating sequence of an ATS depends on the source philosophy. In a standard utility-to-generator application, the controller monitors the preferred source continuously. If voltage, frequency, or phase conditions fall outside the preset acceptance window, the controller initiates generator start, waits for the standby source to stabilize, and then transfers the load. If the preferred source returns and remains stable for a configurable retransfer delay, the ATS returns the load to the normal source.
Typical ATS systems support the following modes:
- Automatic transfer: Source change occurs based on measured supply conditions and controller logic.
- Manual transfer: An operator commands transfer, usually with interlocks still active.
- Test mode: The standby source is started and exercised without disturbing the load, or with controlled load transfer depending on the design.
- Bypass-isolation: The load can be maintained while the transfer mechanism is isolated or withdrawn for maintenance.
For critical infrastructure, bypass-isolation is a major advantage because it allows service and inspection without a full outage. Socomec’s ATyS Bypass range is a representative example of this architecture, with enclosed transfer switch systems rated from 40 A to 3200 A and designed to support maintenance continuity.
Comparison of Common ATS Design Parameters
| Design Parameter | Typical Range | Relevant Standard / Verification | Design Notes |
|---|---|---|---|
| Rated operational current, Ie | 160–3200 A; up to 4000 A in some assemblies | IEC 61439-1 / 61439-2 | Must match busbar, device, and enclosure thermal capability |
| Short-circuit withstand, Icw | 50–100 kA rms / 1 s | IEC 61439-2 Clause 10.10 | Validated by test or design rules |
| Transfer time | 0.1–10 s adjustable | IEC 60947-6-1 | Must coordinate with generator starting and load sensitivity |
| Control voltage | 24 V DC or 110–240 V AC/DC | Manufacturer data / IEC 60947 | Ensure pickup/dropout thresholds support stable operation |
| Ingress protection | IP31–IP54 | IEC 60529 | Selected according to environment and installation location |
| Transition type | Open transition, no-break, or closed transition | IEC 60947-6-1 | Closed transition requires synchronization control |
Standards That Govern ATS Design
IEC 61439 is the principal standard family governing low-voltage switchgear and controlgear assemblies. IEC 61439-1 provides the general rules, while IEC 61439-2 applies to power switchgear and controlgear assemblies. The transfer switching equipment itself is governed by IEC 60947-6-1, and the individual switching devices commonly fall under IEC 60947-3 for switch-disconnectors. The enclosure protection class is determined by IEC 60529.
Per IEC 61439-1 Clause 10, the assembly verification program must cover temperature rise, dielectric properties, clearances and creepage distances, short-circuit strength, mechanical operation, and degree of protection. For ATS applications, Clause 10.10 is especially important because source switching can impose severe dynamic stress on the switching device, busbar supports, and terminations. If the assembly relies on design verification rather than testing for some parameters, the construction must remain consistent with a previously verified reference design.
IEC 60947-6-1 defines transfer switching equipment categories and utilization classes. Open-transition ATS arrangements are common in AC-21B service up to 415 V, while closed-transition and bypass arrangements are used when continuity and maintainability are prioritized. In practical design terms, this means the ATS must be selected not only by current rating but also by duty category, source configuration, and switching sequence.
Mechanical Interlocking and Source Isolation
Mechanical interlocking is not optional in a properly engineered ATS system. It is the fundamental safeguard that prevents the utility and generator sources from being connected at the same time unless the system is specifically designed for synchronized paralleling. As shown in manufacturer documentation from ABB and Socomec, the changeover mechanism typically uses a mechanically linked three-position arrangement or a pair of interlocked switching devices. This arrangement ensures that one source must open before the alternate source can close.
From an engineering perspective, the interlock strategy must consider failure modes. A controller alone is not sufficient, because a control fault, welded auxiliary contact, or firmware error cannot be allowed to create a source-paralleling condition. Mechanical interlocking provides a physical barrier against that failure. Where a neutral conductor is switched, the neutral pole must follow the intended source logic and the system must preserve correct phase and neutral relationships. For some installations, phase rotation monitoring and under/over-voltage sensing are also used to block transfer when source quality is unacceptable.
Short-Circuit and Thermal Design Considerations
ATS assemblies are often installed upstream of highly variable loads, which makes thermal and short-circuit performance critical. If the load current is continuous and close to the device rating, the ATS cubicle must be designed with sufficient heat dissipation, conductor sizing, and busbar spacing to keep temperature rise within the limits of IEC 61439-1 Clause 10.9. In a well-designed assembly, temperature rise is not handled by oversizing one component alone; it is controlled by the entire system architecture, including enclosure ventilation, terminal selection, and busbar geometry.
Short-circuit coordination is equally important. If the ATS is installed in a system with prospective fault levels of 80 kA or higher, the design must demonstrate that the switching device, supports, and internal conductors can withstand the electromagnetic and thermal forces for the specified duration. This may be accomplished by test, calculation, or use of an already verified design platform. In many industrial applications, upstream protection devices such as fused switches or MCCBs are selected to coordinate with the ATS so the assembly survives a fault without catastrophic damage.
Control Architecture and Monitoring Functions
Contemporary ATS controllers do more than detect loss of voltage. They commonly monitor phase sequence, frequency, voltage asymmetry, generator availability, and return-to-normal stability. Advanced controllers can delay transfer, confirm generator warm-up, and prevent hunting between sources. Some systems also integrate Modbus or other field communication interfaces for building management and power monitoring systems.
Control power architecture must be reliable because the controller and actuator must remain operational during the very event that triggers the transfer. This is why many product families offer self-powered or wide-range control electronics. The control supply design should also account for inrush current, contactor coil energization, and the drop-out characteristics needed to avoid chatter. As noted in manufacturer data, pickup and dropout thresholds are typically designed to provide stable operation within the declared operating voltage range.
ATS in Renewable, Microgrid, and Hybrid Systems
ATS design becomes more complex in renewable and microgrid applications, where there may be more than two sources and the system may need to transfer between grid, generator, photovoltaic, battery inverter, or backup distribution sections. The cited industry guidance for renewable-energy applications highlights that IEC 61439-based ATS solutions are often used to connect multiple source paths while maintaining electrical segregation and source priority logic.
In these environments, transfer time is only one part of the design. The engineer must also account for inverter ride-through behavior, generator synchronization requirements, and load sensitivity to interruptions. Some loads, such as servers, medical imaging devices, and process controls, may tolerate only a very short interruption. In those cases, a no-break transfer architecture or closed-transition switching with synchronization may be preferred. However, this increases design complexity and requires careful verification of phase matching, frequency alignment, and protection coordination.
Selection Criteria for an ATS Cubicle
Choosing the correct ATS system requires more than matching nameplate current. A complete selection process should review source arrangement, fault level, duty cycle, enclosure environment, maintenance strategy, and verification evidence. The following items should be checked at minimum:
- Nominal current and continuous load profile
- Prospective short-circuit current at the point of installation
- Number of poles, including whether the neutral is switched
- Transition type: open, closed, or no-break
- Generator starting and retransfer timing requirements
- Enclosure IP rating and ambient temperature
- Need for bypass-isolation and maintenance continuity
- Monitoring interface, alarm outputs, and remote supervision
For example, a hospital emergency distribution board may require a bypass-isolated ATS with high short-circuit strength, remote monitoring, and conservative transfer delays to avoid nuisance transfers. A water treatment plant may prioritize ruggedness, high IP rating, and generator stabilization time. A data center may instead emphasize closed-transition transfer or coordinated no-break operation to protect UPS-backed loads.
Comparison of Common Manufacturer Implementations
| Manufacturer / Platform | Typical ATS Range | Notable Features | Design Relevance |
|---|---|---|---|
| ABB OT / OTM series | 125–2500 A | Motorized changeover, mechanical interlock, fast operation | Useful for compact IEC 61439 assemblies and functional units |
| Socomec ATyS Bypass | 40–3200 A | Bypass-isolation, open transition, communication options | Strong fit for critical loads and maintenance-friendly systems |
| Siemens SIVACON / MNS solutions | System-dependent, up to high fault levels | Assembly-integrated ATS modules, renewable and microgrid applications | Appropriate where coordinated switchboard engineering is required |
| Schneider Electric Prisma platforms | Up to 4000 A in configured assemblies | Integrated control and reference design support | Suitable for large low-voltage distribution projects |
Verification and Testing Requirements
Verification is the backbone of IEC 61439 compliance. The ATS cannot be assumed safe simply because the switching device carries a nameplate rating. The complete assembly must be verified for its actual construction and intended duty. This includes routine verification of wiring, dielectric performance, functional operation, and assembly conformity, together with design verification for thermal, short-circuit, and mechanical stresses.
Temperature-rise verification is particularly important because ATS cubicles can concentrate heat around switching devices, terminals, and busbar links. Dielectric verification confirms the insulation system can withstand the declared voltage stress. Short-circuit verification confirms that the internal arrangement survives fault energy without unacceptable deformation or failure. Mechanical operation testing confirms the transfer mechanism can complete its cycles reliably over the intended service life.
In practice, good documentation should show the source of each verification method, whether by test, comparison to a verified reference design, or calculation. This is especially important when the ATS is integrated into a custom low-voltage panelboard rather than supplied as a standalone factory-built transfer switch.
Good Engineering Practice for Reliable ATS Design
Experienced panel builders follow a few consistent rules when designing ATS systems. First, they treat source separation as a physical safety requirement, not just a control function. Second, they size the busbars, terminals, and enclosure ventilation for the actual thermal load rather than the nominal current alone. Third, they confirm that the protection devices upstream and downstream coordinate with the ATS and the connected load. Fourth, they validate the control logic under realistic source failure scenarios.
Where maintenance access is important, bypass-isolation should be considered early in the design. Where the load cannot tolerate even a short interruption, the engineer should evaluate no-break or closed-transition options. Where the installation is in a severe environment, such as a humid plant room or outdoor enclosure, IP rating and condensation management become design drivers. Where hazardous-area or oil-and-gas requirements apply, supplementary project standards such as IEC 60079 or JIP33 S-560 may add additional voltage tolerance, frequency tolerance, or documentation requirements.
In all cases, the most reliable ATS design is the one that aligns device selection, enclosure engineering, protection coordination, and verification evidence into one coherent IEC 61439 assembly.
References and Further Reading
ABB Technical Guide: Motorized and automatic transfer switches IEC 61439
Ready to Engineer Your Next Panel?
Our team of electrical engineers is ready to design, build, and deliver your custom panel solution — fully compliant with international standards.